
产品展示
联系恒驱
电话:86-755-29169107(市场部直线)
29169191(总机)
公司传真:86-755-29169007
公司地址:广东省深圳市宝安区福海新田大道福宁高新产业园A栋、F栋
B3650H无槽无刷直流电机
- 所属分类:[全部恒驱直流无刷电机]
- 产品简介:双转向,信号功能,锁定保护,无极调速,低噪音,低电磁干扰,超长寿命10000-30000小时
- 订购热线:400-0755-631
- 下载资料:资料下载
|
B3650H |
Slotless Brushless 无槽无刷电机 |
Output Power 输出功率: 6W~70W |
Weight 重量: 180g (Approx.) |
Slotless Brushless DC Motor-Typical Application 无槽无刷直流电机-典型应用 Home Application: White Goods, Small Appliance, Fanner, Vacuum Cleaner 家用电器:白色家电,小家电,风扇,吸尘器 Medical Apparatus: Medical Pump, Surgery Tools, Medical Stirrer, centrifugal Machine 医疗器械:医疗泵,手术器械,搅拌器,离心机 Power Tools: Portable Screwdriver, Air Compressor 电动工具:手持电批,气体压缩机 Business Equipment: Printer, Copier, Projector 商业设备:打印机,复印机,投影机 Personal Care: Hair Dryer, Electric Shaver, Massager 个人护理:电吹风,电动须刨,按摩器 |
Model 型号 |
电压 Voltage(V) |
No Load 空载 |
Rated Load 额定负载 |
Starting 起动 |
||||||
Operating Range |
Rated |
Speed (rpm) |
Current (A) |
Torque (mNm) |
Speed (rpm) |
Current (A) |
Output P. (W) |
Torque (mNm) |
Current (A) |
|
B3650H-S01(Cooling需散热)8-26 |
24 |
36200 |
0.46 |
19.62 |
31480 |
3.17 |
64.68 |
35.41 |
5.00 |
|
B3650H-S02 |
8-26 |
18 |
29000 |
0.38 |
29.43 |
21190 |
4.41 |
65.30 |
35.50 |
5.00 |
B3650H-S03 |
8-26 |
16 |
24000 |
0.33 |
19.62 |
19480 |
3.03 |
40.02 |
35.49 |
5.00 |
B3650H-S04 |
8-26 |
12 |
18000 |
0.30 |
9.81 |
15700 |
1.66 |
16.17 |
34.92 |
5.00 |
Characteristic: CW & CCW, Signal function available, Locked rotor protection, Stepless speed regulation, Low noise, Low EMI, Long life 10000-30000hrs 特征:双转向,信号功能,锁定保护,无级调速,低噪音,低电磁干扰,超长寿命10000-30000小时
Notice: Data in this typical specification sheet are for other certain customer. Voltage, rated torque, speed, current, power and shaft extension feature & dimension can be changed to meet customer specific requirement. 注意:上述规格仅针对特定客户,电压、扭矩、转速、电流、功率、输出轴的特征和尺寸等都可以按照客户的特殊要求进行调整。 |
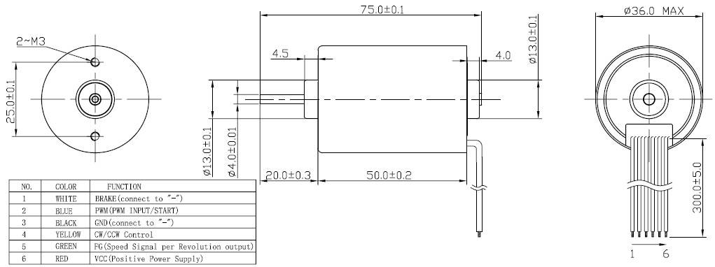
Outline Drawing 外形图: Usable machine screw length 4.0mm max. from motor mounting surface Unit: Millimeter
Performance Curve 性能曲线:
B3650H-S03 16V |
B3650H-S04 12V |
规格书下载
我要评论: | |
内 容: |
(内容最多500个汉字,1000个字符) |
验证码: | 看不清?! |
共有-条评论【我要评论】